Flexible 1200 Automatic High-Speed Folder Gluer
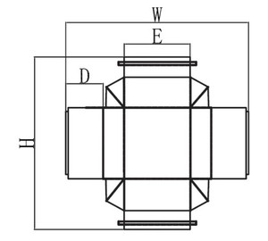
Box Type and Size
| One side gluing |
|
W 190 (80)-850 mm H max. 1000 mm E min. 80 mm |
|
Double wall gluing |
|
W 200-1170 mm H 100-800 mm D 30-150 mm E 80-1150 mm |
|
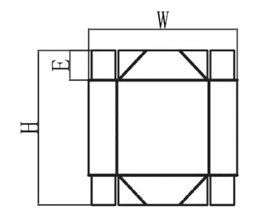
Bottom gluing |
|
W 170-1150 mm H 80-1000 mm E 80-600 mm |
|
4 corner |
|
W 200-1150 mm H 160-800 mm E 25-150 mm |
|
4 corner with lip |
|
W 250-1120 mm H 170-900 mm E 25-150 mm |
|
6 corner |
|
W 360-1120 mm H 160-800 mm E 25-150 mm |
Optional Configuration
4/6 corner device
Wave lock bottom device
Hot glue system
Plasma treatment system
90/180 turning
Memory storage
Braille
Stereo box
Scratch-resistant feeder
Thin paper feeding feeder
Automatic box collecting device
Quality inspection
Glue detection system
Coding online / bar code detection
Automatic rejector device
Features

Feeding Unit
• Two sets of primary and auxiliary knives are provided for feeding.

Side Registration Unit
• Before starting the folding process, make sure the paperboard is accurate and positioned appropriately.

Pre-folding Unit
• On the first creasing line, it can fold things that pass through the automatic packing line 180 degrees, and on the third creasing line, 135 degrees. to facilitate the process of filling the product with material by making its opening easier. It might also be used as a fallback option for boxes that frequently need to be folded.

Crash Lock Bottom Unit
• Different sizes for every piece in the lock bottom component set to ensure accurate and smooth production of different lock bottom box sizes.
• The top pressure transmitter's retractable design enables flexible adjustment in accordance with different lock bottom boxes.
• Easy to assemble and disassemble thanks to the open mechanism design.

Gluing Unit
• The electronic glue gun spraying system with high speed is the top gluing equipment. The left and right bottom gluing components allow the glue volume individuality to be micro-adjusted. The assembly and disassembly are easy, clean, and convenient.

Final Folding Unit
• Extended long journey design, allowing the paperboard to extend to its maximum length and allowing the second and fourth lines to organically take on their desired shapes.
• The folding belts on the left and right may be separately adjusted by 180 degrees.

Trombone Unit
• The top and bottom transporters may be used with a range of long and short boxes because of their independent drive.
• Continuous and automatic carton accumulation ensures the organic and smooth accumulation of cartons of different sizes in this area.
• Devices with automatic counting and kicking.
• Alignment device.

Back Folding Device (For 4/6 Corner Box)
• The electronic back-folding system is powered by two sets of high-precision servo motors, which also collaborate with the motion controller to ensure that the two servo shafts move precisely when operating at high speeds. The standalone primary control panel is easy to use and become proficient with.
Specifications
|
Model |
1200 |
|
Processing material |
|
|
Cardboard |
180-800 gsm |
|
Corrugated flute type |
N, F, E, B |
|
Performance |
|
|
Max. speed |
400 m/min |
|
Inching speed |
20 m/min |
|
Max. feeding width |
1200 mm |
|
Min. feeding width |
190 mm |
|
Way of pre-folding |
First folding by 180 degrees and third folding by 135 degrees |
|
Type of glue |
Cold glue / hot melt glue / PUR glue |
|
Required power |
30 kW |
|
Compressed air |
6 bar |
|
Compressed air capacity |
10 m3/h |
|
Air tank capacity |
60 L |
|
Dimensions |
15.8x2x1.7 m |
|
Weight |
13.6 Ton |
Advantages
Environmental Friendliness: Designed with energy-efficient motors and controls, it promotes eco-friendliness by optimizing glue usage and employing recyclable materials.
Value Enhancement: Enhances product value and competitiveness through precise processing and aesthetically pleasing designs.
Ease of Maintenance: Features a well-designed structure that facilitates maintenance and is supported by comprehensive after-sales services.
Benefits
Increased Productivity
Higher throughput and output capacity for paper-based products, packaging, and boxes.
Consistent Quality
Delivers a professional, visually appealing finish on the final product.
Cost Savings
Improved efficiency and productivity can lead to lower overall production costs.
Versatility
Quick and easy changeovers between different folding and gluing configurations.
Improved Ergonomics:
Enhances overall workplace safety and employee satisfaction.
Consistent Glue Application
Results in stronger, more durable bonds on the finished paper-based products.
Scalability
Supports business growth without significant changes to the production infrastructure.
Evidence
Consistent Glue Application
Scalability
Hot Tags: flexible 1200 automatic high-speed folder gluer, China flexible 1200 automatic high-speed folder gluer manufacturers, suppliers, factory, Automatic Bottom Lock Folder Gluer for Plastic Box, Window Patching Machines, Bi channel Visual Positioning Machine, Creasing Rule, automatic laminating machine, Hot Melt Glue







